1.液压马达制动器动作特点
制动器仅在驻车状态使用,为了减少摩擦片磨损,提高使用寿命,通常设备启动时液压马达驻车制动器打开先于液压马达动作。设备停止时,液压马达驻车制动器关闭晚于液压马达停止。
通常液压马达驻车制动器活塞质量很小(通常为2-10KG左右),所以惯性很小。反观整个工程机械设备/上车回转部分/卷扬系统质量比较大(几百千克到几十吨),惯性大。因此通常设备启动时行走液压马达驻车制动器打开先于液压马达动作的。而且制动器开启压力通常大于10-20bar左右,所以说从建压角度,制动器也更容易先打开。因此后文主要分析制动时,驻车制动器如何晚于液压马达动作。
因为马达都有内泄漏,为了使设备能够可靠的停留在斜坡位置(针对行走马达)、上车回转位置(针对回转马达)、重物在高空中可靠的停留(卷扬马达),通常需要加驻车制动器。
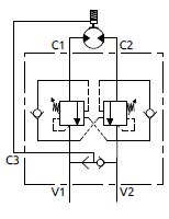
制动器都有一定承压范围,制动器可以用外接单独的一股控制油路进行控制,如果制动器控制油通过主油路引入,主油路压力比较高,需要增加新的措施保证制动器不超压。
1)主油路增加减压阀

2)制动器控制油通过外接单独的控制油路进行控制

3)通过分压实现(液压半桥)


2.液压马达制动器按应用位置分类
1)行走液压马达制动器;
2)回转液压马达制动器;
3)卷扬/绞盘马达制动器;
3.液压马达不同用在不同位置时工况特点以及设计需求
1)行走液压马达驻车制动器
行走液压马达主要负载为摩擦力、处于斜坡位置时自身重力产生的负载。摩擦力为主要负载,且摩擦力负载为正向负载。因此行走液压马达制动时惯性负载较小,因此有些时候不用加双向二次溢流阀缓冲。
为了防止设备处在斜坡位置向下行驶时失速下降,通常需要加限速阀/平衡阀。
通常行走马达制动时间为1-2s左右,因此要求制动器复位时间为3-4s左右,不能太长,也不能太短。设备停止时,为了使行走液压马达驻车制动器关闭晚于液压马达停止,制动器活塞杆腔液压油通过0.4-0.6mm(此泄油小孔数值非常重要)左右泄油小孔回油箱,延迟制动器复位时间。或者是通过流量阀回油(流量阀流量很重要),延迟制动器复位时间。也可以考虑适当增加制动器活塞行程(2mm~5mm左右,此数值也很重要)来延迟制动器复位时间。
通过回油泄油小孔延迟制动:

通过回油小的流量阀延迟制动:

2)回转液压马达驻车制动器
回转类负载较小时,惯性略小(例如摆线马达场合),只用平衡阀就能实现缓冲。

回转类负载如果比较大,比如汽车吊、履带吊、旋挖钻、连续墙等等,惯性比较大,需要双向溢流阀进一步实现缓冲,缓冲时间有可能达到2-3s左右才会停止动作。因此制动时马达特别不容易停下。因此设计时更需要注意马达停止回转后,制动器再关闭。因此特别需要注意箭头位置阻尼孔大小(0.4-0.6mm),和适当增加制动活塞行程(2-5mm左右)。

3)卷扬/绞车液压马达驻车制动器
此种负载特点负载变化大PL在PLmin(空载)和PLmax(满载)之间变化。
下图卷扬上升时:
P1压力大于制动器开启压力Pr,这样才能更加可靠的开启制动器。当PLmin时,P1最小。即

液压马达驻车制动器研究
下图卷扬下放时:
如果用普通同向型平衡阀,平衡阀开启条件

液压马达驻车制动器研究
当PL越大,P3越小,当PL=PLmax时,P3为

液压马达驻车制动器研究
为了确保制动器可靠的开启,需要下面公式成立。如果无法确保公式成立,有可能会产生制动器时开时关,运动不平稳,制动器摩擦片磨损严重。

液压马达驻车制动器研究

Copyright ©山东森特克液压有限公司 | 螺纹插装阀&二通插装阀应用专家 | 致力于插装阀集成系统优订制&液压伺服控制系统,Inc.All rights reserved. 鲁ICP备16019183号 Powered by CmsEasy